PRODUCTS

Current position: PRODUCTS  /   SPECIAL ELECTRICAL APPARATUS  /   Indoor middle voltage AC. isolator and earth switch 12KV~40.5KV  /  

Product Classification
Contact us

Tel : +86-577-62665555
       +86-577-62668988

Business Email : Jacky.dxm@qq.com

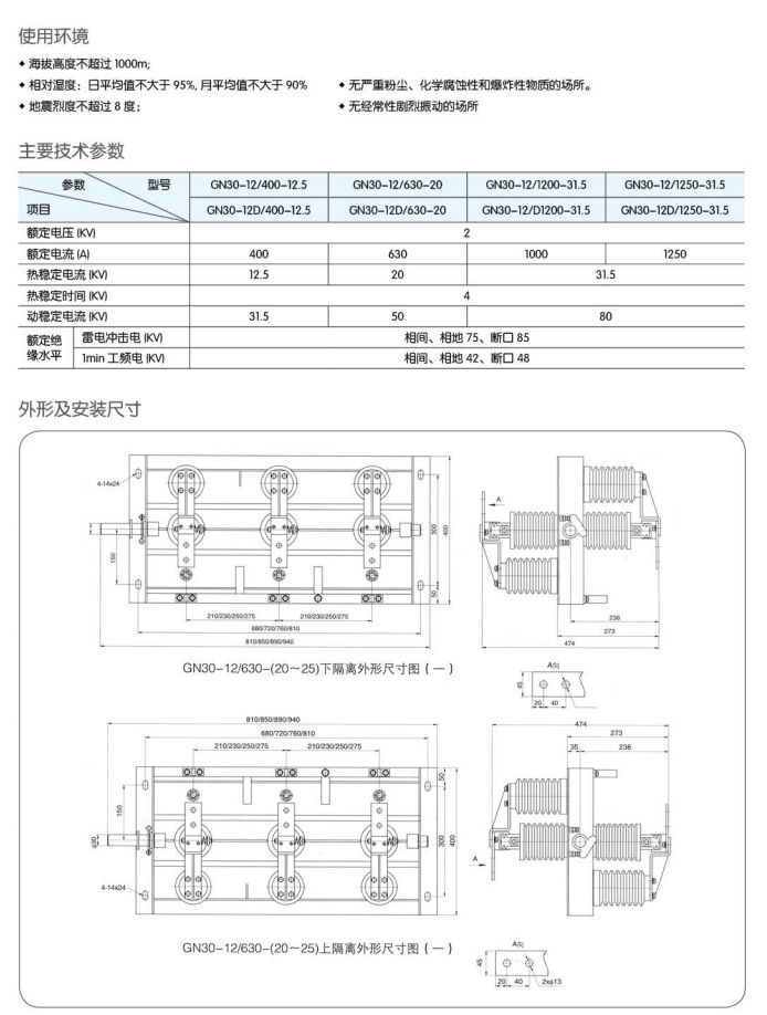
GN30-12户内旋转式高压隔离开关

GN30-12户内旋转式高压隔离开关

GN30-12户内旋转式高压隔离开关

Published in2018-08-04
2813 Views

Detailed description

Other Similar Products

  • JN22-24/31.5 Indoor 50HZ HV. Moter Drive Earthing Switch

  • JN22-40.5 Middle voltage earth switch

  • JN15-12 indoor HV earthing switch

  • GN19-12户内高压隔离开关

  • GN30-12户内旋转式高压隔离开关